中文題目:煉化裝置質量預測的在線學習方案設計
論文題目:Design of an online learning scheme for quality prediction in refining and chemical units
錄用期刊/會議:The Canadian Journal of Chemical Engineering (中科院大類四區)
原文DOI:10.1002/cjce.25747
原文鏈接:http://doi.org/10.1002/cjce.25747
錄用/見刊時間: 2025.04.08
作者列表:
1)王 珠 中國石油大學(北京)人工智能學院 自動化系 教師
2)王若暄 中國石油大學(北京)人工智能學院 自動化系 碩22
3)王金苗 中國石油大學(北京)人工智能學院 自動化系 碩23
摘要:
煉油與化工生產過程復雜多變,質量波動頻繁,亟需實現產品質量的實時預測與監控。針對現有建模方法在高維度、強耦合及多工況條件下存在模型失配等問題,本文提出一種面向煉油與化工裝置的質量預測在線學習方法。該方法通過過濾與波動檢測提取穩態數據,結合K-means聚類與支持向量數據描述(SVDD)識別典型工況特征,并引入增量主成分分析(IPCA)確定最優聚類數。此外,本文提出一種數據匹配方案,融合不同采樣周期下的過程變量、工況及質量指標。在催化裂化分餾裝置上的應用驗證了該方法的可行性,為在線軟測量和多裝置推廣提供了有力支撐。
背景與動機:
煉油裝置生產過程復雜,受多種隨機與不確定因素影響,產品質量常出現波動或不達標現象。傳統實驗室檢測方法存在滯后性,難以及時反映質量變化,限制了質量控制的效率。因此,開發質量軟測量技術、提升質量預測的準確性與實時性,已成為煉化行業的重要發展方向。鑒于現有建模方法在處理高維、強耦合、多工況數據時存在局限,本文提出一種無需依賴過程模型的質量預測在線學習方法,以實現多工況下特征提取與數據匹配,并提升復雜裝置中質量預測的穩定性與應用推廣潛力。
設計與實現:
在線學習方案如圖1所示。在線測試學習是一種類似于離線訓練的方法,通過提取典型過程點并利用長期歷史數據進行參數訓練,該過程通常需要人工參與。而在線運行學習則是定期使用小規模的實時數據集提取典型過程點,并直接調用在線測試學習階段獲得的參數,無需人工干預。在線測試學習與在線運行學習在技術路線和算法上基本一致,均包括數據預處理、迭代分段、典型過程點提取、過程機制融合(化驗數據與典型過程點)以及預測數據庫的構建與更新。二者的核心區別在于:在線測試學習需進行參數訓練,訓練結果直接應用于在線運行學習,從而簡化流程、減少人工干預并提升效率。

圖1 在線學習方案
主要內容:
本文針對煉油裝置生產過程復雜、質量預測難度大等問題,提出了一種基于數據挖掘的質量預測在線學習方案。該方法在構建過程模型的基礎上,結合典型工藝點提取與專家知識,利用長期歷史數據開展在線測試學習,并通過小規模實時數據進行在線運行學習,逐步建立并維護“質量預測數據庫”,以輔助實現多工況下的高效質量預測。
本文的主要貢獻包括:
(1)采用數據挖掘方法,從大規模歷史數據中提取典型工藝點用于建模預測,避免傳統插值或擬合方法可能引入的失真問題;
(2)基于專家經驗,構建關鍵過程變量與質量指標在不同采樣周期下的數據匹配關系,實現信息融合;
(3)通過在線運行學習與在線運行學習相結合的機制,對預測數據庫進行周期性更新與維護,保障預測系統的長期穩定性與準確性。
實驗結果及分析:
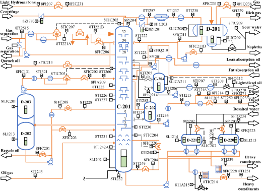
本文以中國石化某煉油廠催化裂化分餾單元為例,利用實際數據驗證說明本文所提出的質量預測在線學習方案的有效性。分餾單元的基本原理是利用氣液相中各組分的相對揮發度的不同進行分離。分餾塔頂油氣經換熱冷卻后,進入分餾塔頂油氣分離器進行氣、液相分離。分離出的粗汽油分成兩路,一路作為吸收劑進入吸收塔;另一路作為反應終止劑打入提升管反應器終止段入口。分餾塔的主要產品為粗汽油和輕柴油,本文選擇汽油干點作為預測的質量指標。此外,根據工藝機理與專家經驗選擇7個關鍵工藝位號為汽油干點的主要影響因素進行數據采集與學習。分餾單元部分工藝流程如圖2所示。
圖2 催化裂化分餾單元部分工藝流程圖
根據分析,確定以下七個工藝位號的測量值為影響汽油干點質量指標的關鍵工藝變量,如表1所示。
表1 影響汽油干點質量指標的關鍵工藝位號
本次案例收集分餾單元2022年3月20日至2024年5月20日的數據。其中,關鍵工藝變量的采樣間隔為60s,質量碼正常的數據長度為1137092。接著,采用基于波動與斜率的穩態數據提取算法對數據進行預處理,并且訓練出適合本單元的波動參數限值,最終保留穩態數據長度984992進行典型工藝點提取。其中,在確定最優聚類數的過程中提出使用增量主成分分析(IPCA)方法,并通過與“手肘法”確定最優聚類數進行對比,驗證了該方法的有效性。驗證結果如圖3所示。

(a) (b)
圖3 IPCA方法驗證結果圖。(a) 數據段1;(b) 數據段5。
基于SVDD以及“中位數法”提取出典型工藝點如表2所示。
表2 第1段數據典型工藝點提取結果
接著根據基于工藝機理與專家經驗確定的融合方案,通過典型工藝點及其時間戳為其匹配對應的質量指標并進行驗證,匹配結果與驗證過程如表3和表4所示。
表3 第1段數據質量指標融合結果
表4 第1段數據融合波動性驗證結果
第1段數據中5個典型工藝點的各個位號均滿足波動性驗證。但是,由于第3和第4個典型工藝點時間相近,因此所匹配的質量指標相同,則可以將其中一個舍棄,保留一個即可。所有工藝點按照以上步驟進行判斷后,有31個不滿足波動性驗證。其余滿足驗證的工藝點將會把“反推工藝點”的各個工藝變量值、質量指標化驗時間與化驗值形成完整操作記錄后存入“預測數據庫”。最終,存入預測數據庫的完整操作記錄196個,并協助進行質量預測。
結論:
本文提出煉化單元質量預測在線學習方案設計。通過對數據進行濾波與判穩,保留穩態數據。結合K-means聚類、SVDD等方法對數據特征進行提取,獲取典型工藝點。調研并分析了煉化單元工藝機理與專家經驗,實現質量指標、工況與關鍵工藝位號數據間的匹配。總得來看,該方案提供了一種區別于擬合、插值等傳統方法的預測思路。通過提取歷史典型數據并與質量指標融合匹配,實現對歷史數據的學習以協助質量預測。同時,在線運行學習保證了預測的長期有效性。
作者簡介:
王珠,博士,中共黨員,現任中國石油大學(北京)副教授、碩士生導師。2016年至今在中國石油大學(北京)自動化系工作,現任中國自動化學會人工智能技術與工業應用專業委員會委員、中國化工學會信息技術應用專業委員會青年委員、北京人工智能學會理事。
在科研與社會服務方面,研究興趣為系統辨識與智能控制、煉化過程動態異常診斷與故障預警、大數據質量預測與綜合優化。近年來,主持重點流程工業企業的高級智能報警項目數項以及國家自然科學基金項目,已發表高水平學術論文30余篇。