经典电视剧高清无广告播放网站 ,av免费网站_高清全集在线观看

您所在的位置:首頁 - 科學研究 - 科研動態

科研動態

一種恒流/恒壓輸出自切換的電場耦合式無線電能傳輸系統

論文題目:一種恒流/恒壓輸出自切換的電場耦合式無線電能傳輸系統

錄用期刊/會議:電工技術學報 (EI中文期刊)

原文DOI:10.19595/j.cnki.1000-6753.tces.242269

錄用/見刊時間:2025年3月24日

作者列表

1) 吉   莉 中國石油大學(北京)人工智能學院 電子信息工程系教師

2) 張家琦 中國石油大學(北京)人工智能學院 新一代電子信息技術專業 碩22

3) 張江洪 中國石油大學(北京)人工智能學院 信息與通信工程專業 碩23

摘要:

針對旋轉導向設備使用電場耦合式無線電能傳輸(CPT)技術為電池負載供電的應用場景,本文提出一種恒流/恒壓自切換的CPT系統。該系統無需任何額外的主動控制即可實現自動、平滑的從恒流輸出到恒壓輸出的切換,同時系統在兩種輸出模式下均工作于零相位角(ZPA)狀態。本文首先給出恒流/恒壓自切換CPT系統的拓撲結構,建立耦合結構等效模型,并對耦合結構模型和物理參數進行設計;然后,詳細分析系統恒流/恒壓的輸出特性和工作原理;最后搭建實驗樣機,驗證所提方法與系統結構的有效性,實驗中實現了1.5A的恒流輸出和60V的恒壓輸出,最高效率為90%。

背景與動機:

在用于石油鉆井開發的旋轉導向設備中,常采用導電滑環的方式從旋轉的鉆桿向非旋轉的外部套管上傳輸電能,為位于套管上的控制測量單元的電池充電,延長控制測量單元在井下的工作時長。然而這種方式的導電滑環在鉆井過程中面臨著旋轉摩擦磨損、密封易失效、滑環受腐蝕等問題,降低了電能傳輸的可靠性,限制了滑環的使用壽命。

電場耦合式無線電能傳輸技術為解決旋轉導向設備電能傳輸的低可靠性問題提供了一條有效的途徑。該技術相較于磁場方式具有更好的抗電磁干擾性能,在井下復雜電磁干擾環境中能夠保持輸出的穩定。然而在設計CPT系統時,系統輸出需滿足電池先恒流后恒壓的充電需求,當前常采用的頻率切換或開關切換的方法控制輸出模式,這些方法都依賴于精準的負載電壓檢測與主動控制,可靠性較差。

鑒于目前的研究問題,本文提出了一種恒流/恒壓輸出自切換的CPT系統,該系統隨著電池等效負載的升高從恒流輸出模式自動過渡至恒壓輸出模式,無需任何額外的控制方法,具有高魯棒性。

設計與實現:

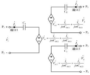
構建了如圖1所示的恒流/恒壓輸出自切換的CPT系統,建立了圖2所示的單發射雙接收型電場耦合結構受控電壓源等效模型,并設計了圖3所示的副邊解耦型電場耦合結構,通過對接收極板圓心角的參數設計,實現了副邊兩組網絡的相互解耦。

image.png 

圖1 恒流/恒壓輸出自切換CPT系統

image.png 

圖2單發射雙接收結構受控電壓源等效模型

image.png 

圖3副邊解耦型電場耦合結構

實驗結果及分析:

本文按照圖1結構搭建了一套CPT系統,如圖4所示,系統諧振頻率為1MHz。在原邊全橋逆變器由四個碳化硅mosfet(IMZ65R048M1)構成,副邊全橋整流器由IDW40G120C5B二極管構成。

image.png 

圖4 恒流/恒壓輸出自切換CPT系統是實驗裝置

圖5為不同負載下系統輸出電流和輸出電壓變化情況,隨負載增加,系統輸出從恒流模式逐漸過渡至恒壓模式。圖6為系統輸出功率和傳輸效率與負載曲線,在負載變化情況下系統能夠保持高效穩定輸出。

image.png 

圖5 輸出電壓和輸出電流隨負載變化的曲線

image.png 

圖6 輸出功率和傳輸效率隨負載變化曲線

結論:

本文提出了一種應用于旋轉導向設備中電池充電場景的CPT系統,該系統采用單輸入雙輸出的電路結構,無需額外的控制方法和相應電路即可自動實現輸出模式切換,簡化了控制方案,提高了系統的可靠性。針對該系統,本文首先提出了單發射雙接收電場耦合結構的受控電壓源等效模型,大大簡化了耦合結構補償分析。其次,針對單發射雙接收的電場耦合結構,設計了一種旋轉工況應用的副邊解耦型電場耦合結構模型,通過物理參數設計的方法消除了兩組接收極板間的互耦合。然后,本文應用所提出的耦合結構等效模型對該系統輸出特性進行了理論分析。最后搭建了實驗裝置進行驗證,系統能夠隨負載值增加從恒流輸出模式自動過渡至恒壓輸出模式,系統傳輸功率為86W時,最大效率達到90%。

作者簡介:

吉莉,副教授,博士生導師。博士畢業于中國科學院大學,長期從事無線電能傳輸技術、能源互聯網及智能物聯網等相關研究工作,主持2項國家自然科學基金項目、1項國家863課題和2項省部級基金,作為技術負責人主持多項國家863項目、國家科技支撐項目。科技部國家第六次技術預測工作能源領域總體組專家,IEEE PES儲能系統與裝備專委會常務理事、中國電源學會女科學家工作委員會委員、中國電源學會無線電能傳輸技術及裝置專委會委員。《IET Renewable Power Generation》、《CSEE JPES》等期刊的Guest Editor,以第一作者/通信作者在《IEEE Transactions on Industrial Electronics》、《IEEE Transactions on Power Electronics》、《IEEE Journal of Emerging and Selected Topics in Power Electronics》、《Renewable Energy》等期刊上發表SCI/EI期刊論文30余篇,第一作者獲授權/受理發明專利/軟件著作權10余項,編寫中文著作3部,獲省部級二等獎2項。

聯系方式:jili@cup.edu.cn