中文題目:基于可靠辨識不同工況下的長周期過程智能PID整定
論文題目:Reliable identification based intelligent PID tuning for long-period process control under different working conditions
錄用期刊/會議:【Journal of the Taiwan Institute of Chemical Engineers】 (中科院大類 3區,JCR Q1)
原文DOI:10.1016/j.jtice.2024.105630
原文鏈接:https://doi.org/10.1016/j.jtice.2024.105630
錄用/見刊時間: 2024.06.14
封面圖片:

封面摘要:該研究成果由王珠老師團隊完成,已被Journal of the Taiwan Institute of Chemical Engineers(中科院大類 3區,JCR Q1)收錄。
作者列表:
1)周建橋 中國石油大學(北京)人工智能學院 控制工程專業 博 21
2)王珠 中國石油大學(北京)人工智能學院 自動化系教師
3)羅雄麟 中國石油大學(北京)人工智能學院 自動化系教師
摘要:
本文提出了一種基于可靠辨識技術的智能PID調節方法。主要貢獻包括:(i)利用Lyapunov理論,保證了所提算法辨識誤差的有界性;(ii)提出了LMPSO算法,提高了全局搜索能力和搜索效率;(iii)針對全過程在線閉環智能PID控制器提出了一種新的優化方案。該方案旨在不改變工業控制器結構的情況下提高其性能。
背景與動機:
化工過程模型會隨著運行條件的變化而經常改變。然而,工業大多采用離線校準和在線定值調試方案,難以保證控制質量。因此,需要一種長周期在線智能PID控制器整定方案。
設計與實現:
(1) 時間序列動態數據采集過程:在當前的運行控制系統中,所有控制回路的OP和PV數據均以最高頻率從DCS實時數據庫中采集并存儲到本地數據庫中。
(2) 建立數字孿生系統:從本地數據庫中獲取實時數據。利用可靠的遞歸辨識技術構建動態過程模型,用于后續的擬合函數計算。同時,實時更新本地數據庫中的模型參數。
(3) 確定控制目標和性能指標:根據控制目標選擇合適的性能指標和權重。
(4) 粒子群智能搜索:確定粒子群的大小和迭代次數,每個粒子代表一個PID控制參數組合。
(5) 進行系統性能評估:應使用最優參數重新運行控制系統,并評估系統的性能指標。
(6) 長周期可靠運行:確定慢率更新間隔,重復步驟1至5。“慢率”是指PID的更新頻率遠低于傳感器的數據采集頻率。

圖1 算法流程圖
主要內容:
可靠遞推辨識
采用高階線性時變模型作為辨識模型,并利用可靠的遞歸辨識算法來跟蹤的時變參數。"可靠"包含兩層含義:(i)在較小激勵輸入下的可辨識性;(ii)有界隨機噪聲下辨識誤差的有界性。本文提出一種具有離散Nussbaum增益的遞推辨識算法,并對該辨識算法進行了收斂性分析。
智能PID整定
本文對PSO算法進行改進,提出LMPSO算法,慣性權重由Levy飛行決定。Levy飛行能使粒子有概率出現較大步前進,幫助粒子群擺脫局部最優。“記憶”一詞指的是PSO群體具有精英粒子記憶能力,這可以提高粒子群搜索的效率。為了實現控制目標,本文采用了綜合性能指標,“性能”包括積分誤差性能和時域性能。
實驗結果及分析:
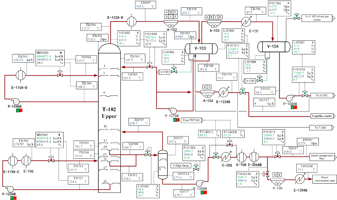
本文在中國石油大學煉油與自動化模擬實習基地進行的工業實驗。本文利用UniSim仿真系統對500萬噸常壓和真空蒸餾裝置進行了模擬,如圖2所示

圖2 常壓塔工藝流程圖
通過分析性能指標,發現時域性能指標更適合應用于該實驗環境。利用該性能指標,驗證數字孿生系統中十個控制回路的控制效果,如圖3所示。

圖3 數字孿生系統中回路控制效果
通過使用時域性能指標來比較UniSim仿真系統優化前后12個控制回路的控制效果,控制器的性能得到了極大改善,如表1所示。
表1 智能優化前后控制器性能比較

結論:
在應對不同的運行條件時,過程變化和非線性因素的重要性毋庸置疑。為了確保最佳的動態過渡性能,本文結合可靠的遞歸識別技術、全面的性能指標分析和改進的PSO算法,提出了一種在線慢率LMPSO-PID整定方案。然而,本文提出的在線慢率PID更新方案中涉及的大部分超參數值都是通過仿真測試獲得的,缺乏理論依據。今后,將結合工業現場人工經驗和數學理論知識,定量確定超參數值,如PID參數值范圍、模型階次選擇和權重等。此外,基于PSO算法的控制器的理論驗證也值得進一步研究。
通訊作者簡介:
王珠,男,博士,中共黨員,現任中國石油大學(北京)副教授、碩士生導師。2016年至今在中國石油大學(北京)自動化系工作,現任北京人工智能學會理事、中國化工學會信息技術應用專業委員會青年委員。
長期從事系統辨識與智能控制、石化過程故障預警、工藝優化、及基于深度學習與數據挖掘的時間序列預測等方面研究工作,以第一作者或通訊作者身份發表高水平學術期刊論文20余篇。主持國家自然科學基金項目及多個重點流程工業企業的橫向項目。